近期鋼企產能置換方案彙總
2026-04-16 06:32:04
2021年6月1日,新版《鋼鐵行業產能置換實施辦法》(簡稱《辦法》)正式施行。據《中國冶金報》、中國鋼鐵新聞網小編不完全統計,截至6月30日,共有11個鋼鐵產能置換項目公示發布(詳情請見:近期11個鋼鐵產能置換項目公示發布!)。
7月份以來,據不完全統計,又有6家鋼鐵企業先後公布了產能置換方案。具體情況彙總如下:
寶鋼湛江鋼鐵
寶鋼湛江鋼鐵有限公司氫基豎爐係統項目(一步)產能置換方案如下:

寶鋼湛江鋼鐵有限公司三高爐係統項目產能置換調整方案如下:

洛鋼集團
洛陽洛鋼集團鋼鐵有限公司產能出讓公告如下:

榮信鋼鐵
河北榮信鋼鐵有限公司建設項目產能置換方案於2018年12月3日(ri)在(zai)河(he)北(bei)省(sheng)工(gong)業(ye)和(he)信(xin)息(xi)化(hua)廳(ting)網(wang)站(zhan)進(jin)行(xing)了(le)公(gong)示(shi),因(yin)公(gong)示(shi)期(qi)間(jian)出(chu)現(xian)異(yi)議(yi),該(gai)企(qi)業(ye)的(de)產(chan)能(neng)置(zhi)換(huan)方(fang)案(an)至(zhi)今(jin)未(wei)予(yu)公(gong)告(gao)。目(mu)前(qian),異(yi)議(yi)已(yi)全(quan)部(bu)處(chu)理(li)完(wan)畢(bi),現(xian)對(dui)河(he)北(bei)榮(rong)信(xin)鋼(gang)鐵(tie)有(you)限(xian)公(gong)司(si)建(jian)設(she)項(xiang)目(mu)產(chan)能(neng)置(zhi)換(huan)方(fang)案(an)繼(ji)續(xu)進(jin)行(xing)公(gong)示(shi),內(nei)容(rong)如(ru)下(xia):

新天鋼
天津市新天鋼鋼鐵集團有限公司建設項目產能置換方案如下:

馬鞍山鋼鐵
馬鋼股份公司煉鐵總廠A高爐大修項目產能置換方案如下:

馬鋼股份公司煉鐵總廠B高爐大修項目產能置換方案如下:

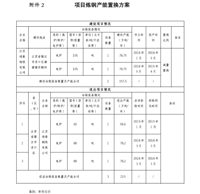
鴻泰鋼鐵
8月13日,江蘇省工業和信息化廳發布了《關於江蘇鴻泰鋼鐵有限公司煉鋼係統升級改造項目產能置換方案的公示》。
江蘇鴻泰鋼鐵有限公司煉鋼係統升級項目產能置換方案如下:


來源:各大鋼企、各省工信部、東方財富網等
編輯:張雨恬
相關文檔
版權說明
【1】 凡本網注明"來源:中國冶金報—中國鋼鐵新聞網"的所有作品,版權均屬於中國鋼鐵新聞網。媒體轉載、摘編本網所刊 作品時,需經書麵授權。轉載時需注明來源於《中國冶金報—中國鋼鐵新聞網》及作者姓名。違反上述聲明者,本網將追究其相關法律責任。
【2】 凡本網注明"來源:XXX(非中國鋼鐵新聞網)"的作品,均轉載自其它媒體,轉載目的在於傳遞更多信息,並不代表本網 讚同其觀點,不構成投資建議。
【3】 如果您對新聞發表評論,請遵守國家相關法律、法規,尊重網上道德,並承擔一切因您的行為而直接或間接引起的法律 責任。
【4】 如因作品內容、版權和其它問題需要同本網聯係的。電話:010—010-64411649
【2】 凡本網注明"來源:XXX(非中國鋼鐵新聞網)"的作品,均轉載自其它媒體,轉載目的在於傳遞更多信息,並不代表本網 讚同其觀點,不構成投資建議。
【3】 如果您對新聞發表評論,請遵守國家相關法律、法規,尊重網上道德,並承擔一切因您的行為而直接或間接引起的法律 責任。
【4】 如因作品內容、版權和其它問題需要同本網聯係的。電話:010—010-64411649
地址:北京市朝陽區安貞裏三區26樓 郵編:100029 電話:(010)64442120/(010)64442123 傳真:(010)64411645 電子郵箱:
中國冶金報/中國鋼鐵新聞網法律顧問:大成律師事務所 楊貴生律師 電話: Email:
中國鋼鐵新聞網版權所有,未經書麵授權禁止使用 京ICP備07016269號 京公網安備11010502033228




























