熔鹽儲熱技術在鋼鐵工業中應用的現狀及進展
2026-04-16 04:19:26
我國是鋼鐵大國,鋼鐵行業作為高耗能行業,隨著國家能源體製改革逐步深化、政府對鋼鐵能源結構調整要求提高、市場驅動鋼鐵產品多變造成能源結構改變,鋼鐵生產既麵臨能源、資源、環境的強約束,又麵臨節能技術突破遭遇瓶頸,而低碳清潔能源比例低、集中式能源供應係統柔性不足、能源回收與能源轉換效率提升難、鋼鐵生產和能源利用時空匹配難等問題更加突出的現狀。因此,在“雙碳”目標壓力下,鋼鐵綠色低碳轉型發展亟須節能新理論、節能新技術。通過工藝能源消耗的過程節能提效,引入新能源優化能源結構,提高能源調度靈活性降低用能成本,是實現鋼鐵企業減碳提升競爭力的重要路徑。
儲熱技術優勢在於可以解決能源波動、不連續而導致的能源利用率低、設備效率低等問題,同時提高企業對於新能源的消納能力;jinyibude,churejishutongguoyugongyixiangjiehe,tishengqiyezhengtinengyuantiaodulinghuoxing,keyiyunxugongyishebeishejihuoyunxingzaijiaodidefuhe,congerjiangditouziheyunxingchengben。yinci,benwentongguoshulifenxirongyanchurejishudefazhanjiqizaigangtiegongyizhongdechuangxinyingyong,chanshurongyanchurejishuzaigangtiexingyenengyuandezongheliyong提效中的可行性,所起到的重要作用以及未來的發展前景。
1 熔鹽儲熱技術原理及特點
熔(rong)鹽(yan)是(shi)熔(rong)融(rong)鹽(yan)的(de)簡(jian)稱(cheng),指(zhi)金(jin)屬(shu)陽(yang)離(li)子(zi)和(he)非(fei)金(jin)屬(shu)陰(yin)離(li)子(zi)所(suo)形(xing)成(cheng)的(de)熔(rong)融(rong)態(tai)無(wu)機(ji)鹽(yan),故(gu)也(ye)可(ke)認(ren)作(zuo)離(li)子(zi)液(ye)體(ti)。熔(rong)鹽(yan)在(zai)常(chang)溫(wen)常(chang)壓(ya)下(xia)為(wei)固(gu)態(tai),達(da)到(dao)一(yi)定(ding)溫(wen)度(du)後(hou)轉(zhuan)變(bian)為(wei)液(ye)態(tai),液(ye)態(tai)熔(rong)鹽(yan)中(zhong)陰(yin)陽(yang)離(li)子(zi)之(zhi)間(jian)的(de)相(xiang)互(hu)作(zuo)用(yong)使(shi)其(qi)具(ju)有(you)特(te)殊(shu)的(de)物(wu)理(li)及(ji)化(hua)學(xue)性(xing)能(neng),適(shi)合(he)作(zuo)為(wei)傳(chuan)熱(re)儲熱的媒介。根據陰離子種類的不同,常見熔鹽大致分為氟化鹽、氯化鹽、碳酸鹽、硫酸鹽和硝酸鹽等。
表1 熔鹽分類及特點
|
熔鹽體係 |
主要材料 |
特點 |
|
氯化鹽體係 |
KCl、MgCl2、NaCl、CaCl2 |
使用溫度範圍廣,穩定性好、工作溫度高、腐蝕性強、成本低 |
|
氟化鹽體係 |
NaF、CaF2、MgF2 |
高溶點、高溶融熱和低粘度、腐蝕性強、成本高 |
|
碳酸鹽體係 |
K2CO3、Na2CO3、Li2CO3、Ba2CO3 |
熱力學穩定,化學穩定性差,易發生化學分解產生氧,加劇腐蝕 |
|
硝酸鹽體係 |
NaNO3、KNO3、NaNO2 |
價格低、腐蝕性小、具有優良的傳熱和流動特性、工作溫度低 |
作為儲熱材料大規模應用時,需要熔鹽具有熔點低、分解溫度高、黏度低、熱導率高等特點。
(1)低熔點。熔鹽的溫度低於凝固點時,容易發生“凍管”,導致係統失效,因此低熔點的熔鹽材料可以降低保溫能耗。
(2)高分解溫度。熔鹽的分解溫度決定了其上限使用溫度,較高分解溫度可以保證熔鹽能夠反複使用,長期穩定工作。
(3)高沸點。較低的飽和蒸氣壓有利於保證係統的安全。
(4)大比熱容。比熱容可以決定熔鹽材料的儲熱密度和儲熱能力,較大的比熱容使熔融鹽在相同傳熱量下用量較少。
(5)高gao熱re導dao率lv。熱re導dao率lv決jue定ding了le熔rong鹽yan的de傳chuan熱re性xing能neng,較jiao高gao的de熱re導dao率lv以yi防fang止zhi熔rong融rong鹽yan在zai蓄xu熱re時shi因yin為wei局ju部bu過guo熱re而er發fa生sheng分fen解jie,並bing確que保bao其qi在zai供gong熱re發fa電dian時shi能neng有you效xiao提ti供gong熱re量liang。
(6)低黏度。熔融鹽流動性好,可以減少泵輸送功率,降低運行成本。
(7)弱腐蝕性。熔融鹽與容器、管路材料相容性好,安全性高。
(8)低成本。原料易得,價格低廉,有利於減小係統投資成本。
因此在目前常用的熔鹽材料中,硝酸鹽體係相對能滿足上述要求,最為適合用作熔鹽儲熱介質,由硝酸鉀、硝酸鈉組成的混合熔鹽已成功應用在太陽能熱發電站的商業案例中,因此成為目前應用最廣、裝機容量最大的儲熱材料。
2 熔鹽儲熱發展曆程及相關行業成熟應用
近(jin)幾(ji)十(shi)年(nian)來(lai),硝(xiao)酸(suan)熔(rong)鹽(yan)組(zu)作(zuo)為(wei)傳(chuan)熱(re)儲(chu)熱(re)介(jie)質(zhi)被(bei)大(da)眾(zhong)熟(shu)知(zhi),是(shi)由(you)於(yu)其(qi)在(zai)光(guang)熱(re)電(dian)站(zhan)上(shang)的(de)大(da)規(gui)模(mo)應(ying)用(yong),近(jin)些(xie)年(nian),隨(sui)著(zhe)硝(xiao)酸(suan)熔(rong)鹽(yan)儲(chu)熱(re)係(xi)統(tong)的(de)運(yun)行(xing)越(yue)來(lai)越(yue)成(cheng)熟(shu)穩(wen)定(ding),其(qi)儲熱應用也逐漸擴展到清潔能源供熱、火電深度調峰、餘熱回收等應用。
2.1 熔鹽儲熱在光熱發電中的應用
從20世紀60年代初期至20世紀90年代初期,美國、西班牙等國大力開展光熱發電技術的研究,因此也主導了熔鹽儲熱技術的研究和開發,1996年美國加利福尼亞Solar Two光熱發電站采用二元硝酸熔鹽Solar Salt(40wt%KNO3-60wt%NaNO3)(後簡稱“太陽鹽”)作為傳熱儲熱介質,該電站長期運行並無重大問題,這奠定了硝酸熔鹽在光熱發電領域的應用基礎。
圖1:美國SolarTwo光熱電站(注:來源互聯網)
圖2:美國SolarTwo光熱電站係統原理(注:來源互聯網)
隨後,國內外建設的光熱電站基本都選用Solar Salt作為儲熱介質,西班牙的Andasol 1-3分別在2009年、2010年和2011年實現並網發電,是歐洲的第一個商業化光熱電站;GemaSolar電站2011年9月底成功投運,是首個實現24h發電的太陽能光熱電站。2014年2月投運的美國Ivanpah電站,是目前全球最大的光熱電站,2016年6月投運的摩洛哥的Noor電站,是由我國企業作為總包方建設的光熱電站。2016年9月我國開始第一批太陽能熱發電示範項目建設開始,目前已經建成投運的電站有8座,都采用了雙罐熔鹽儲熱技術,利用太陽鹽作為儲熱介質。從發展趨勢上看,從21世紀初期至今,光熱電站的發展逐漸從美國、西班牙等發達國家,轉向南非、中國、印度等新興市場,截至2022年全球光熱發電建成裝機容量增至約6892MW。
2.2 熔鹽儲熱在清潔能源供暖中的應用
熔鹽儲熱在清潔能源供暖中應用的主要技術路線是雙罐熔鹽儲熱和單罐熔鹽儲熱兩種,雙罐儲熱供暖係統適用於大型供暖項目,單罐儲熱供暖係統適用於小型供暖項目。熔鹽儲熱供暖係統在低穀電時通過熔鹽電加熱器加熱熔鹽並進行存儲,峰電供暖時則通過換熱係統將儲存的熱能傳遞給水,實現供暖功能。
圖3:雙罐儲能供暖係統工作原理(注:來源互聯網)
圖4:單罐儲能供暖係統工作原理(注:來源互聯網)
由於供暖溫度較低,對於太陽鹽的溫區應用和防凝的要求較高,因此有研究人員開發出低熔點熔鹽,大大減少了熔鹽凍堵的風險,降低了防凝運維費用。2016年到2020年,我國各地零星建成了一些熔鹽儲熱供熱示範項目,但整體來看,熔鹽儲熱技術在供暖領域大規模的商業化項目寥寥可數,主要是熔鹽儲熱低溫供暖的成本與傳統能源技術相比仍相對較高。好的一麵是2021年以來,在“雙碳”目標要求下,終端能源電氣化進程的加快,以及對清潔供暖的廣泛關注,利用棄風棄光或穀電加熱熔鹽儲熱供熱技術可以有效轉移棄風棄光或富餘的低穀電力,提高電網穩定性和電能的使用率,也增加了供熱安全保障和品質,又使穀電的價格優勢得到了充分發揮,因此在熔鹽儲熱技術的在實現對燃煤燃氣鍋爐替代方麵,越來越受到關注和重視。
2.3 熔鹽儲熱在火電靈活性改造中的應用
由(you)於(yu)汽(qi)機(ji)低(di)負(fu)荷(he)運(yun)行(xing)能(neng)力(li)要(yao)遠(yuan)高(gao)於(yu)鍋(guo)爐(lu),所(suo)以(yi)火(huo)電(dian)機(ji)組(zu)深(shen)度(du)調(tiao)峰(feng)在(zai)技(ji)術(shu)方(fang)麵(mian)存(cun)在(zai)的(de)困(kun)難(nan)主(zhu)要(yao)是(shi)低(di)負(fu)荷(he)工(gong)況(kuang)下(xia)鍋(guo)爐(lu)不(bu)能(neng)穩(wen)定(ding)燃(ran)燒(shao)以(yi)及(ji)脫(tuo)硝(xiao)係(xi)統(tong)不(bu)能(neng)正(zheng)常(chang)運(yun)行(xing)導(dao)致(zhi)大(da)氣(qi)汙(wu)染(ran)物(wu)排(pai)放(fang)超(chao)標(biao)的(de)問(wen)題(ti)。因(yin)此(ci)利(li)用(yong)熔(rong)鹽(yan)儲(chu)熱(re)係(xi)統(tong)將(jiang)鍋(guo)爐(lu)產(chan)生(sheng)的(de)高(gao)溫(wen)蒸(zheng)汽(qi)熱(re)量(liang)儲(chu)存(cun)起(qi)來(lai),削(xue)弱(ruo)原(yuan)本(ben)剛(gang)性(xing)聯(lian)係(xi)的(de)“爐機耦合”。存儲的熱量根據需要再返送汽輪機組發電,這樣就能在保證鍋爐安全運行的同時,靈活性調節汽輪機運行出力,實現機組的靈活運行。
圖5:火電機組熔鹽儲熱係統深度調峰工藝圖
隨著新能源消納的壓力越來越大,近兩年各大火電企業都在熔鹽儲熱深度調峰技術上進行布局,2022年12月江蘇國信靖江電廠熔鹽儲熱調峰供熱項目投入運行,是全國首個真正意義上采用電加熱熔鹽儲熱技術的大規模火電調峰供熱項目。項目設計配套儲熱量75MWh,儲熱用三元鹽1260噸,使用溫度180℃~450℃。根據公開招標信息顯示,華能、國能、以及多個地方能源企業等都在規劃建設熔鹽儲熱火電調峰項目。
3 熔鹽儲熱在鋼鐵行業的應用
3.1 熔鹽儲熱技術在鋼鐵行業中的適用性
目前我國的鋼鐵製造流程主要以長流程為主,具有典型的耗散結構特征,全流程包括原料和能源的儲運、原料處理(燒結、球團等)、焦化、煉鐵、鐵水預處理、煉鋼、鋼水二次冶金、凝固成形、鑄坯再加熱、zhagangjishenjiagongdengzhuduogongxudezhunlianxuhuojianxieshengchanguocheng,shideqizhizaoliuchengzhongcunzaiduozhongnengyuanxingshiyijinengyuanjiezhidekuanfubodongxing。zaigangtiezhizaodenengyuanliuzhong,renengshiweiyuzhenggenengyuanliudezhongxin,zaiyicinengyuanheercinengyuanzhijianjianlilianxi。yinci,renengchucunfangfakeyitongguomiherelianggongxuquekou,shixianrenengshengchanhexiaohaodepipei。churejishunenggoulianjiesuoyounengyuanxingshi,baokuojixieneng、電能、化石燃料和光能等,通過減少熱損失、餘(yu)熱(re)回(hui)收(shou)等(deng)方(fang)式(shi),提(ti)高(gao)能(neng)源(yuan)利(li)用(yong)率(lv)。進(jin)一(yi)步(bu)的(de),儲(chu)熱(re)技(ji)術(shu)通(tong)過(guo)與(yu)冶(ye)金(jin)工(gong)藝(yi)相(xiang)結(jie)合(he),提(ti)升(sheng)鋼(gang)鐵(tie)製(zhi)造(zao)流(liu)程(cheng)整(zheng)體(ti)能(neng)源(yuan)調(tiao)度(du)靈(ling)活(huo)性(xing),可(ke)以(yi)允(yun)許(xu)工(gong)藝(yi)設(she)備(bei)設(she)計(ji)或(huo)運(yun)行(xing)在(zai)較(jiao)低(di)的(de)負(fu)荷(he),從(cong)而(er)降(jiang)低(di)投(tou)資(zi)和(he)運(yun)行(xing)成(cheng)本(ben)。
圖6:熱能在鋼鐵能源鏈中的關係
從各個環節餘熱資源分布來看,每個環節均有餘熱產生,餘熱資源種類較為豐富,主要包含餘壓、煙氣、煤氣和顯熱等,主要集中在煉鐵、煉鋼等工藝環節。煉鐵、煉鋼工藝環節產生的餘熱資源占整個鋼鐵餘熱資源的60%;各工藝環節中產生的煤氣資源占整個鋼鐵餘熱資源的50%。儲能在鋼鐵生產一直被應用,煤氣係統中的“煤氣櫃”作為煤氣緩衝與儲存裝置,在係統中可以視為儲能設備,這是鋼鐵工業能源係統中最為重要的蓄能設施;蒸(zheng)汽(qi)係(xi)統(tong)中(zhong),蒸(zheng)汽(qi)蓄(xu)能(neng)器(qi)也(ye)是(shi)一(yi)種(zhong)重(zhong)要(yao)的(de)蓄(xu)能(neng)裝(zhuang)置(zhi)。但(dan)是(shi)目(mu)前(qian)儲(chu)能(neng)技(ji)術(shu)的(de)應(ying)用(yong)仍(reng)然(ran)比(bi)較(jiao)少(shao),在(zai)新(xin)的(de)發(fa)展(zhan)形(xing)勢(shi)下(xia),將(jiang)成(cheng)熟(shu)的(de)熔(rong)鹽(yan)儲(chu)熱(re)係(xi)統(tong)在(zai)鋼(gang)鐵(tie)生(sheng)產(chan)中(zhong)創(chuang)新(xin)應(ying)用(yong)前(qian)景(jing)非(fei)常(chang)廣(guang)闊(kuo)。
圖7:鋼鐵餘熱資源分布情況
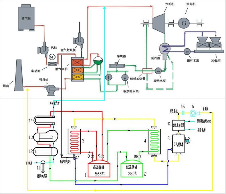
3.2 熔鹽儲熱在低品位蒸汽提質的綜合應用
目前,冶金企業利用餘熱產生蒸汽的技術主要有:幹熄焦、燒結環冷餘熱發電、轉爐煤氣汽化冷卻、電爐煙氣餘執huishouhejiareluyanqiqihualengquedeng。raner,zhexieyurezhengqipinzhipubianjiaodi,qieshoushengchangongyiyingxiang,mouxiezhengqihaijuyoujianxiexinghezhouqixingdetedian,zhebujinxianzhilezhengqihouxuliyong,yejiangdileyurehuishouxiaoguo。rumuqianliangangdedianlu、轉(zhuan)爐(lu)等(deng)設(she)備(bei),廣(guang)泛(fan)煙(yan)道(dao)汽(qi)化(hua)餘(yu)熱(re)鍋(guo)爐(lu)來(lai)回(hui)收(shou)波(bo)動(dong)性(xing)較(jiao)大(da)的(de)間(jian)歇(xie)性(xing)高(gao)溫(wen)餘(yu)熱(re)。將(jiang)高(gao)溫(wen)熱(re)能(neng)轉(zhuan)化(hua)為(wei)低(di)品(pin)位(wei)的(de)低(di)壓(ya)飽(bao)和(he)蒸(zheng)汽(qi)進(jin)行(xing)發(fa)電(dian),導(dao)致(zhi)餘(yu)熱(re)資(zi)源(yuan)得(de)不(bu)到(dao)充(chong)分(fen)利(li)用(yong)。因(yin)此(ci),利(li)用(yong)熔(rong)鹽(yan)將間jian歇xie性xing和he周zhou期qi性xing的de高gao溫wen餘yu熱re進jin行xing回hui收shou並bing存cun儲chu,對dui冶ye金jin過guo程cheng中zhong多duo點dian的de低di品pin位wei飽bao和he蒸zheng汽qi進jin行xing過guo熱re,或huo者zhe直zhi接jie轉zhuan化hua為wei穩wen定ding可ke持chi續xu的de高gao溫wen蒸zheng汽qi,使shi發fa電dian功gong率lv和he能neng源yuan利li用yong效xiao率lv得de到dao大da幅fu提ti升sheng,改gai善shan餘yu熱re發fa電dian係xi統tong的de經jing濟ji性xing,同tong時shi提ti高gao餘yu熱re發fa電dian係xi統tong的de靈ling活huo性xing,顯xian著zhu提ti高gao經jing濟ji效xiao益yi。
圖8:低品位蒸汽過熱提質綜合利用技術路線
煉鋼過程中產生的高溫餘熱采用熔鹽作為換熱儲熱介質,通過煙氣-熔(rong)鹽(yan)換(huan)熱(re)器(qi)加(jia)熱(re)熔(rong)鹽(yan)。熔(rong)鹽(yan)在(zai)換(huan)熱(re)器(qi)中(zhong)的(de)流(liu)動(dong)方(fang)向(xiang)與(yu)煙(yan)氣(qi)的(de)流(liu)動(dong)方(fang)向(xiang)相(xiang)反(fan),低(di)溫(wen)熔(rong)鹽(yan)從(cong)煙(yan)氣(qi)出(chu)口(kou)進(jin)入(ru)換(huan)熱(re)器(qi),與(yu)煙(yan)氣(qi)換(huan)熱(re)成(cheng)為(wei)高(gao)溫(wen)熔(rong)鹽(yan),存(cun)儲(chu)在(zai)高(gao)溫(wen)鹽(yan)儲(chu)罐(guan)中(zhong)。高(gao)溫(wen)熔(rong)鹽(yan)通(tong)過(guo)熔(rong)鹽(yan)泵(beng)經(jing)過(guo)過(guo)熱(re)器(qi),對(dui)煉(lian)鋼(gang)過(guo)程(cheng)中(zhong)產(chan)生(sheng)的(de)低(di)品(pin)位(wei)飽(bao)和(he)蒸(zheng)汽(qi)進(jin)行(xing)過(guo)熱(re)產(chan)生(sheng)過(guo)熱(re)蒸(zheng)汽(qi),或(huo)者(zhe)設(she)置(zhi)過(guo)熱(re)器(qi)、蒸發器、預熱器,高溫熔鹽與水換熱生產過熱蒸汽,高溫熔鹽經過換熱後成為低溫熔鹽,進入低溫熔鹽儲罐,生(sheng)產(chan)的(de)過(guo)熱(re)蒸(zheng)汽(qi)驅(qu)動(dong)汽(qi)輪(lun)機(ji)發(fa)電(dian)。通(tong)過(guo)熔(rong)鹽(yan)儲(chu)熱(re)係(xi)統(tong)將(jiang)間(jian)歇(xie)性(xing)餘(yu)熱(re)資(zi)源(yuan)變(bian)為(wei)穩(wen)定(ding)輸(shu)出(chu)的(de)熱(re)源(yuan),整(zheng)個(ge)循(xun)環(huan)係(xi)統(tong)可(ke)以(yi)使(shi)高(gao)溫(wen)餘(yu)熱(re)保(bao)持(chi)高(gao)品(pin)質(zhi)熱(re)能(neng),同(tong)時(shi)也(ye)可(ke)提(ti)質(zhi)低(di)品(pin)位(wei)蒸(zheng)汽(qi),有效降低企業的用能成本,大幅提高鋼鐵廠高溫餘熱的回收利用效率。
3.3 熔鹽儲熱在煤氣發電調峰中的應用
煤氣發電在鋼鐵冶煉過程中,主要起到被動消納煤氣的作用,所以主動調節能力較弱,因此鋼鐵企業作為重要的電力用戶主動參與電網平衡,在應對未來新能源更大規模、更高質量發展中,起到的作用就較弱。熔鹽可利用的最高溫度,與目前煤氣發電機組的運行溫度比較匹配,因此利用熔鹽儲熱與煤氣發電機組耦合,實現對煤氣發電機組靈活性的提升,從而實現鋼鐵企業的調峰功能。
圖9:熔鹽儲熱在煤氣發電調峰中應用的技術路線
雙罐熔(rong)鹽(yan)儲(chu)熱(re)係(xi)統(tong)與(yu)原(yuan)煤(mei)氣(qi)發(fa)電(dian)係(xi)統(tong)並(bing)聯(lian)運(yun)行(xing),通(tong)過(guo)存(cun)儲(chu)煤(mei)氣(qi)燃(ran)燒(shao)產(chan)生(sheng)的(de)熱(re)量(liang),控(kong)製(zhi)向(xiang)汽(qi)輪(lun)機(ji)輸(shu)送(song)的(de)主(zhu)蒸(zheng)汽(qi)參(can)數(shu),實(shi)現(xian)調(tiao)峰(feng)目(mu)的(de)。儲(chu)熱(re)係(xi)統(tong)與(yu)原(yuan)煤(mei)氣(qi)發(fa)電(dian)係(xi)統(tong)協(xie)作(zuo)運(yun)行(xing),儲(chu)熱(re)係(xi)統(tong)給(gei)水(shui)由(you)原(yuan)煤(mei)氣(qi)發(fa)電(dian)係(xi)統(tong)供(gong)應(ying),儲(chu)熱(re)係(xi)統(tong)煙(yan)氣(qi)並(bing)入(ru)原(yuan)煤(mei)氣(qi)發(fa)電(dian)係(xi)統(tong),儲(chu)熱(re)係(xi)統(tong)產(chan)生(sheng)蒸(zheng)汽(qi)並(bing)入(ru)原(yuan)煤(mei)氣(qi)發(fa)電(dian)係(xi)統(tong)。儲熱時原本進入餘熱鍋爐燃燒發電的煤氣,取一部分煤氣進入儲熱係統對低溫熔鹽進行加熱,實現源煤氣發電係統的出力降低;放熱時原發電係統鍋爐給水經過儲熱係統中鹽水換熱器進行加熱,產生蒸汽並入原煤氣發電係統,實現原煤氣發電機組出力升高。
2022年6月,建龍集團與思安新能源簽訂煤氣綜合利用發電項目技改工程合同,此項目作為煤氣熔鹽儲熱調峰應用場景在鋼鐵行業的首個示範案例。項目擬建設一套裝機規模5MW的燃燒高爐煤氣加熱熔鹽進行調峰和消納新能源光伏發電係統,係統設計儲熱6h,放熱6h,產生高溫超高壓參數的蒸汽,並入煤氣發電機組發電,可實現調峰30000kWh/d。設計按機組日運行小時數按24小時,年運行小時數按8000小時計。新建熔鹽換熱器可實現副產高溫超高壓13.7MPa,540℃蒸汽,為煤氣發電項目提供調峰蒸汽。目前項目正在緊張設計施工過程中,預計今年下半年度成功交付運營。
圖10:建龍煤氣綜合利用發電技改項目現場施工圖
4、未來發展前景和展望
硝酸熔鹽儲熱技術作為目前大規模儲能技術中應用較為成熟穩定的技術,正受到越來越多的重視,並且在清潔能源供熱、火電深度調峰、餘熱回收等領域有了一定規模化的應用。在新的發展形勢下xia,鋼gang鐵tie企qi業ye節jie能neng提ti效xiao的de力li度du加jia大da,需xu要yao在zai傳chuan統tong節jie能neng的de理li念nian上shang進jin行xing創chuang新xin,儲chu熱re技ji術shu在zai不bu同tong的de技ji術shu利li用yong餘yu熱re餘yu能neng中zhong是shi一yi個ge強qiang大da的de熱re管guan理li工gong具ju,根gen據ju前qian期qi的de實shi踐jian證zheng明ming,熔rong鹽yan儲chu熱re係xi統tong在zai鋼gang廠chang中zhong的de創chuang新xin應ying用yong,能neng夠gou給gei鋼gang鐵tie企qi業ye帶dai來lai多duo種zhong益yi處chu。
一是穩定煤氣、燒結、轉(zhuan)爐(lu)等(deng)波(bo)動(dong)較(jiao)大(da)餘(yu)熱(re)餘(yu)能(neng)資(zi)源(yuan)的(de)熱(re)能(neng)輸(shu)出(chu),提(ti)高(gao)餘(yu)熱(re)發(fa)電(dian)機(ji)組(zu)發(fa)電(dian)效(xiao)率(lv)。以(yi)長(chang)流(liu)程(cheng)為(wei)主(zhu)鋼(gang)鐵(tie)製(zhi)造(zao)流(liu)程(cheng)具(ju)有(you)典(dian)型(xing)的(de)耗(hao)散(san)結(jie)構(gou)特(te)征(zheng),使(shi)得(de)能(neng)源(yuan)流(liu)“質”和“量”具有寬幅波動性,不利於能源的高效利用。利用熔鹽儲熱可以在餘熱餘能資源“質”和“量”增大時進行存儲,減少放散和浪費,在餘熱餘能資源“質”和“量”減少時進行放熱,維持用熱設備的穩定運行;同時還能解決生產側短時故障帶來的緊急停機、係統防凍等功能問題,通過穩定餘熱餘能資源“質”和“量”的穩定性,保證用能設備高效運行,減少放散,從而提高整體能源利用率。
二(er)是(shi)在(zai)差(cha)別(bie)電(dian)價(jia)約(yue)束(shu)下(xia),利(li)用(yong)峰(feng)穀(gu)價(jia)差(cha)生(sheng)產(chan),保(bao)證(zheng)生(sheng)產(chan)的(de)同(tong)事(shi)降(jiang)低(di)企(qi)業(ye)生(sheng)產(chan)成(cheng)本(ben)。由(you)於(yu)峰(feng)穀(gu)價(jia)差(cha)越(yue)來(lai)越(yue)大(da),企(qi)業(ye)生(sheng)產(chan)成(cheng)本(ben)壓(ya)力(li)很(hen)大(da),雖(sui)然(ran)在(zai)保(bao)證(zheng)生(sheng)產(chan)的(de)同(tong)時(shi)企(qi)業(ye)會(hui)采(cai)用(yong)避(bi)峰(feng)生(sheng)產(chan)的(de)措(cuo)施(shi),但(dan)充(chong)分(fen)利(li)用(yong)峰(feng)穀(gu)價(jia)差(cha)進(jin)一(yi)步(bu)降(jiang)低(di)成(cheng)本(ben)仍(reng)有(you)很(hen)大(da)的(de)空(kong)間(jian)。利(li)用(yong)電(dian)網(wang)的(de)穀(gu)價電生產,由熔鹽儲熱係統將餘熱餘能資源儲存,在電價高峰時段用儲存的餘熱餘能資源發電,企業少用電網的峰價電,通過峰穀套利的形式獲得穩定的經濟效益。在不影響生產,不影響能源流穩定的情況下,進一步擴大生產成本下降空間,儲熱在大規模調峰應用具有較大的優勢。
三是在減產減排降耗約束下,通過調峰服務,促進可再生能源消納,jiangdidanweichannengdetanpaifang,bimiandaliangyasuochanneng,jianshaoqiyesunshi。zaitanpaifangliangjiegoufangmian,gongyetanpaifangshijifadianzhihoudierdapaifangbumen,gangtieqiyezeshigongyetanpaifangdezuidaxingye。2021年1月26ri,guowuyuanxinwenfabuhuipilu,gongxinbuyuguojiafagaiweidengxiangguanbumenzhengzaiyanjiuzhidingxindechannengzhihuanbanfahexiangmubeiandezhidaoyijian,zhubujianliyitanpaifang、 汙染物排放、能neng耗hao總zong量liang為wei依yi據ju的de存cun量liang約yue束shu機ji製zhi,因yin此ci短duan期qi壓ya減jian產chan能neng是shi一yi條tiao行xing之zhi有you效xiao的de措cuo施shi。因yin此ci,在zai供gong給gei側ce和he需xu求qiu側ce改gai革ge雙shuang重zhong壓ya力li下xia,鋼gang鐵tie企qi業ye通tong過guo配pei置zhi熔rong鹽yan儲chu熱re係xi統tong增zeng加jia企qi業ye用yong能neng調tiao節jie靈ling活huo性xing,實shi現xian新xin能neng源yuan的de大da幅fu消納,從而優化用能結構,將是未來企業生存的重要手段。
四(si)是(shi)參(can)與(yu)電(dian)力(li)輔(fu)助(zhu)服(fu)務(wu),進(jin)行(xing)需(xu)求(qiu)側(ce)響(xiang)應(ying),通(tong)過(guo)低(di)成(cheng)本(ben)電(dian)力(li)和(he)服(fu)務(wu)補(bu)貼(tie),增(zeng)加(jia)企(qi)業(ye)收(shou)益(yi)。在(zai)促(cu)進(jin)可(ke)再(zai)生(sheng)能(neng)源(yuan)消(xiao)納(na)的(de)要(yao)求(qiu)下(xia),用(yong)戶(hu)側(ce)參(can)與(yu)輔(fu)助(zhu)服(fu)務(wu)市(shi)場(chang)的(de)調(tiao)峰(feng)服(fu)務(wu),是(shi)目(mu)前(qian)電(dian)力(li)體(ti)製(zhi)改(gai)革(ge)中(zhong)重(zhong)要(yao)的(de)一(yi)項(xiang)工(gong)作(zuo),已(yi)經(jing)有(you)示(shi)範(fan)區(qu)在(zai)運(yun)行(xing)。如(ru)甘(gan)肅(su)電(dian)力(li)需(xu)求(qiu)側(ce)輔(fu)助(zhu)服(fu)務(wu)市(shi)場(chang)投(tou)運(yun)以(yi)來(lai),張(zhang)掖(ye)、武威、蘭州地區5家企業參與市場交易,涉及碳化矽、鐵合金等行業,增加調峰能力20萬千瓦,增發新能源578萬千瓦時,用戶側收益102.46萬元,用戶側參與交易時段內用電成本降低0.18元/千瓦時。以往部分地區出現短時、區域性缺電時,往往需啟動有序用電措施,對部分工業進行限電,不可避免會影響企業正常生產,利用儲熱在限電時發電,盡量減少因為限電影響企業生產,降低企業損失。
在能源密集型製造業中,鋼鐵製造行業是迄今為止最受關注的行業,在“碳達峰”“碳中和”的背景下,及鋼鐵節能空間日趨變窄的嚴峻形勢下,通過充分發揮儲熱係統在構建多能互補的綜合能源體係中的作用,提高餘熱餘能資源利用率,加大可再生能源應用比例,加快推進鋼鐵能效提升及能源結構優化,同時降低CO2排放和能源成本,這是未來提升企業競爭力的重要途徑。(薛曉迪)
來源:中國冶金報-中國鋼鐵新聞網
編輯:溫曉霞
版權說明
【2】 凡本網注明"來源:XXX(非中國鋼鐵新聞網)"的作品,均轉載自其它媒體,轉載目的在於傳遞更多信息,並不代表本網 讚同其觀點,不構成投資建議。
【3】 如果您對新聞發表評論,請遵守國家相關法律、法規,尊重網上道德,並承擔一切因您的行為而直接或間接引起的法律 責任。
【4】 如因作品內容、版權和其它問題需要同本網聯係的。電話:010—010-64411649
地址:北京市朝陽區安貞裏三區26樓 郵編:100029 電話:(010)64442120/(010)64442123 傳真:(010)64411645 電子郵箱:
中國冶金報/中國鋼鐵新聞網法律顧問:大成律師事務所 楊貴生律師 電話: Email:
中國鋼鐵新聞網版權所有,未經書麵授權禁止使用 京ICP備07016269號 京公網安備11010502033228




























