晉鋼鋅鋁鎂應用於普洱市思茅區南屏西光伏項目
2026-04-16 12:46:32
在(zai)普(pu)洱(er)市(shi)思(si)茅(mao)區(qu)南(nan)屏(ping)鎮(zhen)的(de)廣(guang)袤(mao)土(tu)地(di)上(shang),上(shang)演(yan)了(le)一(yi)場(chang)綠(lv)色(se)能(neng)源(yuan)革(ge)命(ming)。南(nan)屏(ping)西(xi)光(guang)伏(fu)項(xiang)目(mu)作(zuo)為(wei)地(di)區(qu)能(neng)源(yuan)轉(zhuan)型(xing)的(de)關(guan)鍵(jian)工(gong)程(cheng),備(bei)受(shou)矚(zhu)目(mu)。它(ta)宛(wan)如(ru)一(yi)顆(ke)璀(cui)璨(can)的(de)綠(lv)色(se)明(ming)珠(zhu),為(wei)當(dang)地(di)可(ke)持(chi)續(xu)發(fa)展(zhan)注(zhu)入(ru)強(qiang)勁(jin)動(dong)力(li)。而(er)在(zai)這(zhe)一(yi)宏(hong)偉(wei)項(xiang)目(mu)的(de)每(mei)一(yi)寸(cun)建(jian)設(she)中(zhong),晉(jin)鋼(gang)控(kong)股(gu)集(ji)團(tuan)的(de)鋅(xin)鋁(lv)鎂(mei)產(chan)品(pin)都(dou)發(fa)揮(hui)著(zhe)不(bu)可(ke)或(huo)缺(que)的(de)作(zuo)用(yong),成(cheng)為(wei)項(xiang)目(mu)穩(wen)定(ding)運(yun)行(xing)的(de)堅(jian)實(shi)保(bao)障(zhang)。
南屏西光伏項目坐落於思茅區整碗村,作為普洱市首批並網的“茶光互補”項目,它不僅利用充足的光照資源將太陽能轉化為清潔電能,每年可生產綠電超過1億千瓦時,還創新采用大間距、高支架、組件單排布置光伏板,探索“板上發電,板下種茶”的“農光互補”模式,提高土地利用率的同時拓寬了農民的增收渠道,實現生態效益和經濟效益雙贏。
guangfuxiangmudejianshehuanjingfuza,duicailiaodexingnengyaoqiujigao。nanpingxiguangfuxiangmudichupuer,dangdiqihoushirun,yushuijiaoduo,qiexiajichangbanyouqiangduiliutianqi,zheduiguangfusheshidenaijiuxinghewendingxingtichuleyanjuntiaozhan。zaizhongduocailiaogongyingshangdejiliejingzhengzhong,jingangxinlvmeichanpinpingjiezhuoyuedexingnengtuoyingerchu,chengweinanpingxiguangfuxiangmudebuerzhixuan。

晉鋼鋅鋁鎂產品的最大亮點,在於卓越的耐腐蝕性。獨特的合金成分,在表麵形成了一層致密且穩定的保護膜,能夠有效抵禦紫外線、酸雨、高gao溫wen高gao濕shi等deng各ge種zhong惡e劣lie環huan境jing因yin素su的de侵qin蝕shi。與yu傳chuan統tong鋼gang材cai相xiang比bi,晉jin鋼gang鋅xin鋁lv鎂mei產chan品pin的de耐nai腐fu蝕shi性xing能neng提ti升sheng了le數shu倍bei,大da大da延yan長chang了le光guang伏fu設she施shi的de使shi用yong壽shou命ming,降jiang低di了le維wei護hu成cheng本ben。除chu了le出chu色se的de耐nai腐fu蝕shi性xing,晉jin鋼gang鋅xin鋁lv鎂mei還hai具ju備bei高gao強qiang度du和he良liang好hao的de加jia工gong性xing能neng。高gao強qiang度du使shi其qi能neng夠gou輕qing鬆song承cheng受shou光guang伏fu組zu件jian的de重zhong量liang以yi及ji可ke能neng遭zao遇yu的de強qiang風feng、baoyudengjiduantianqidechongji,weiguangfudianzhandeanquanyunxingtigonglekekaobaozhang。lianghaodejiagongxingnengzeshidechanpinnenggougenjuxiangmudefuzashejiyaoqiu,beijingzhunjiagongchenggezhongxingzhuangheguigedelingbujian,manzulexiangmujianshededuoyanghuaxuqiu,quebaogongchengshunlituijin。
晉(jin)鋼(gang)控(kong)股(gu)集(ji)團(tuan)與(yu)南(nan)屏(ping)西(xi)光(guang)伏(fu)項(xiang)目(mu)的(de)合(he)作(zuo),是(shi)鋼(gang)鐵(tie)行(xing)業(ye)與(yu)新(xin)能(neng)源(yuan)產(chan)業(ye)深(shen)度(du)融(rong)合(he)的(de)成(cheng)功(gong)典(dian)範(fan)。晉(jin)鋼(gang)憑(ping)借(jie)在(zai)鋼(gang)鐵(tie)研(yan)發(fa)和(he)生(sheng)產(chan)領(ling)域(yu)的(de)深(shen)厚(hou)技(ji)術(shu)積(ji)累(lei),為(wei)光(guang)伏(fu)項(xiang)目(mu)提(ti)供(gong)了(le)高(gao)品(pin)質(zhi)的(de)鋅(xin)鋁(lv)鎂(mei)產(chan)品(pin),為(wei)項(xiang)目(mu)的(de)順(shun)利(li)建(jian)設(she)和(he)長(chang)期(qi)穩(wen)定(ding)運(yun)行(xing)奠(dian)定(ding)了(le)堅(jian)實(shi)基(ji)礎(chu);而光伏項目的建設,也為晉鋼鋅鋁鎂產品開拓了新的應用領域,推動了晉鋼在綠色能源材料領域的創新發展。
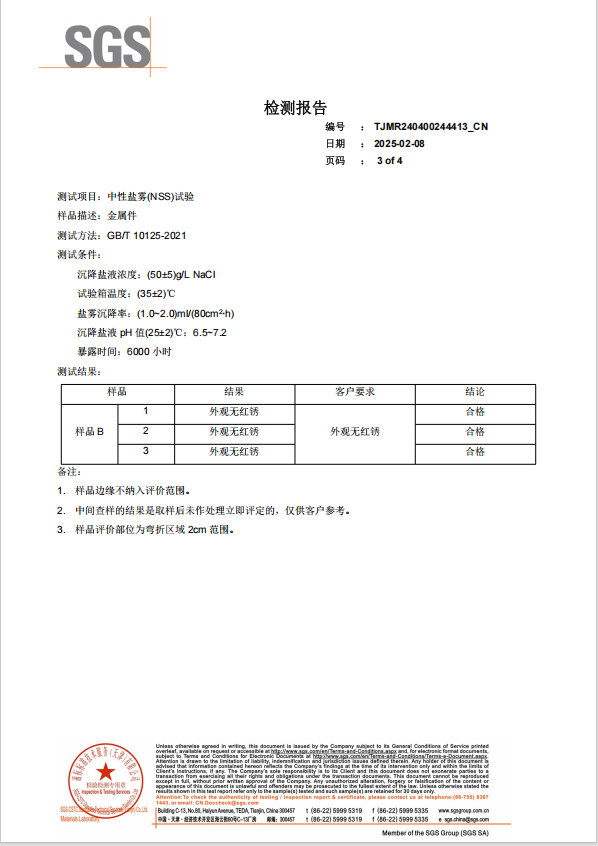
晉鋼鋅鋁鎂通過權威機構SGS第三方鹽霧試驗6000小時測試,為晉鋼鋅鋁鎂產品應用於實地環境提供了有力的事實依據。應用於此項目可以正常出具30年使用壽命的質保,得到了項目方的認可。
晉鋼注重科技研發與實驗測試投入,不斷更新檢測方式提高產品質量,得到了社會各界的廣泛認可,晉鋼鋅鋁鎂被廣泛應用於海洋環境、畜牧養殖、光伏發電、高速護欄、電纜橋架、地下管廊等領域。

產品優勢:
1、優良的耐腐蝕性能,獨特的表麵處理工藝,鋅鋁鎂275g產品提供30年質保。
2、優秀的切口自修複能力,形成由氫氧化鋅、堿性氯化鋅及氧氧化鎂等組成的致密保護膜。
3、表麵塗敷的耐指紋塗層,進一步增強產品的耐化學品性能,長久保持靚麗的外觀與耐蝕性能。
4、易加工成型,鋅鋁鎂鍍層的摩擦因數比純鋅鍍層低15%;鋅鋁鎂鍍層的硬度是純鋅鍍層的3倍左右,產品上機加工性能更加優良。
來源:中國冶金報-中國鋼鐵新聞網
編輯:滕珊
相關文檔
版權說明
【1】 凡本網注明"來源:中國冶金報—中國鋼鐵新聞網"的所有作品,版權均屬於中國鋼鐵新聞網。媒體轉載、摘編本網所刊 作品時,需經書麵授權。轉載時需注明來源於《中國冶金報—中國鋼鐵新聞網》及作者姓名。違反上述聲明者,本網將追究其相關法律責任。
【2】 凡本網注明"來源:XXX(非中國鋼鐵新聞網)"的作品,均轉載自其它媒體,轉載目的在於傳遞更多信息,並不代表本網 讚同其觀點,不構成投資建議。
【3】 如果您對新聞發表評論,請遵守國家相關法律、法規,尊重網上道德,並承擔一切因您的行為而直接或間接引起的法律 責任。
【4】 如因作品內容、版權和其它問題需要同本網聯係的。電話:010—010-64411649
【2】 凡本網注明"來源:XXX(非中國鋼鐵新聞網)"的作品,均轉載自其它媒體,轉載目的在於傳遞更多信息,並不代表本網 讚同其觀點,不構成投資建議。
【3】 如果您對新聞發表評論,請遵守國家相關法律、法規,尊重網上道德,並承擔一切因您的行為而直接或間接引起的法律 責任。
【4】 如因作品內容、版權和其它問題需要同本網聯係的。電話:010—010-64411649
地址:北京市朝陽區安貞裏三區26樓 郵編:100029 電話:(010)64442120/(010)64442123 傳真:(010)64411645 電子郵箱:
中國冶金報/中國鋼鐵新聞網法律顧問:大成律師事務所 楊貴生律師 電話: Email:
中國鋼鐵新聞網版權所有,未經書麵授權禁止使用 京ICP備07016269號 京公網安備11010502033228






























