工信部公示2024年工業廢水循環利用典型案例名單,8家鋼企入選
2026-03-27 01:11:00
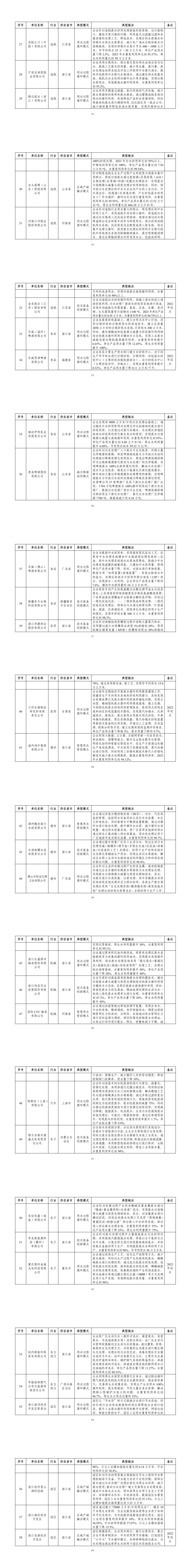
11月25日,工業和信息化部公示《2024年工業廢水循環利用典型案例名單》(以下簡稱《名單》)。

《名單》顯示,以下8家鋼鐵企業入選:




《名單》全文如下:


來源:工業和信息化部網站
編輯:張雨恬
相關文檔
版權說明
【1】 凡本網注明"來源:中國冶金報—中國鋼鐵新聞網"的所有作品,版權均屬於中國鋼鐵新聞網。媒體轉載、摘編本網所刊 作品時,需經書麵授權。轉載時需注明來源於《中國冶金報—中國鋼鐵新聞網》及作者姓名。違反上述聲明者,本網將追究其相關法律責任。
【2】 凡本網注明"來源:XXX(非中國鋼鐵新聞網)"的作品,均轉載自其它媒體,轉載目的在於傳遞更多信息,並不代表本網 讚同其觀點,不構成投資建議。
【3】 如果您對新聞發表評論,請遵守國家相關法律、法規,尊重網上道德,並承擔一切因您的行為而直接或間接引起的法律 責任。
【4】 如因作品內容、版權和其它問題需要同本網聯係的。電話:010—010-64411649
【2】 凡本網注明"來源:XXX(非中國鋼鐵新聞網)"的作品,均轉載自其它媒體,轉載目的在於傳遞更多信息,並不代表本網 讚同其觀點,不構成投資建議。
【3】 如果您對新聞發表評論,請遵守國家相關法律、法規,尊重網上道德,並承擔一切因您的行為而直接或間接引起的法律 責任。
【4】 如因作品內容、版權和其它問題需要同本網聯係的。電話:010—010-64411649
地址:北京市朝陽區安貞裏三區26樓 郵編:100029 電話:(010)64442120/(010)64442123 傳真:(010)64411645 電子郵箱:
中國冶金報/中國鋼鐵新聞網法律顧問:大成律師事務所 楊貴生律師 電話: Email:
中國鋼鐵新聞網版權所有,未經書麵授權禁止使用 京ICP備07016269號 京公網安備11010502033228




























